Trang chủ > Sản phẩm > SCHAEFFLER > Ổ trượt và vòng bi > Thân vòng bi > Gối đỡ 2 nửa SNS
Nhân viên tư vấn: Mr.Tam: 098 3322 729
Vận chuyển nhanh chóng trong vòng 48H
Phụ tùng thay thế chính hãng
Hỗ trợ tự vấn sản phẩm
đa nền tảng
Tiết kiệm, linh hoạt, thanh toán bàng nhiều hình thức
Lắp đạt nhanh chóng, miễn phí, tiết kiệm
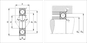
Do góc tiếp xúc lớn ở cả hai bên, ổ bi có thể hỗ trợ tải trọng trục thuần túy, tải trọng trục chủ yếu hoặc tải trọng thay đổi. Ổ bi tiếp xúc bốn điểm có cấu trúc tương tự như ổ bi tiếp xúc góc đôi hàng, nhưng hẹp hơn nhiều theo hướng trục do chỉ có một rãnh. Vì các tâm của các rãnh hình cung trên vòng trong và vòng ngoài bị lệch so với nhau, các viên bi tiếp xúc với các vòng bi tại bốn điểm dưới tải trọng hướng kính. Vì lý do này, ổ bi tiếp xúc bốn điểm chỉ được sử dụng dưới tải trọng chủ yếu trục.
Nếu có tải trọng chủ yếu hướng kính, không nên sử dụng ổ bi tiếp xúc bốn điểm do ma sát cao hơn trong tiếp xúc bốn điểm. Một trong hai vòng bi, thường là vòng trong, được chia ra để thuận tiện lắp ráp nhằm cho phép điền các viên bi. Do ổ bi tiếp xúc bốn điểm thường được lắp mà không có giữ hướng kính, các vòng ngoài có thể được thiết kế tùy chọn với các rãnh giữ để ngăn chặn sự quay.
Một lĩnh vực ứng dụng chính là trong kỹ thuật hộp số, nơi có tải trọng trục xuất hiện theo cả hai hướng và cần hướng dẫn trục chặt chẽ kết hợp với chiều rộng ổ bi nhỏ.
Ổ bi tiếp xúc bốn điểm thường được kết hợp với ổ bi hướng kính và được sử dụng như một ổ bi trục với khoảng cách hướng kính trong một vỏ.


Do góc tiếp xúc lớn ở cả hai bên, ổ bi có thể hỗ trợ tải trọng trục thuần túy, tải trọng trục chủ yếu hoặc tải trọng thay đổi. Ổ bi tiếp xúc bốn điểm có cấu trúc tương tự như ổ bi tiếp xúc góc đôi hàng, nhưng hẹp hơn nhiều theo hướng trục do chỉ có một rãnh. Vì các tâm của các rãnh hình cung trên vòng trong và vòng ngoài bị lệch so với nhau, các viên bi tiếp xúc với các vòng bi tại bốn điểm dưới tải trọng hướng kính. Vì lý do này, ổ bi tiếp xúc bốn điểm chỉ được sử dụng dưới tải trọng chủ yếu trục.
Nếu có tải trọng chủ yếu hướng kính, không nên sử dụng ổ bi tiếp xúc bốn điểm do ma sát cao hơn trong tiếp xúc bốn điểm. Một trong hai vòng bi, thường là vòng trong, được chia ra để thuận tiện lắp ráp nhằm cho phép điền các viên bi. Do ổ bi tiếp xúc bốn điểm thường được lắp mà không có giữ hướng kính, các vòng ngoài có thể được thiết kế tùy chọn với các rãnh giữ để ngăn chặn sự quay.
Một lĩnh vực ứng dụng chính là trong kỹ thuật hộp số, nơi có tải trọng trục xuất hiện theo cả hai hướng và cần hướng dẫn trục chặt chẽ kết hợp với chiều rộng ổ bi nhỏ.
Ổ bi tiếp xúc bốn điểm thường được kết hợp với ổ bi hướng kính và được sử dụng như một ổ bi trục với khoảng cách hướng kính trong một vỏ.